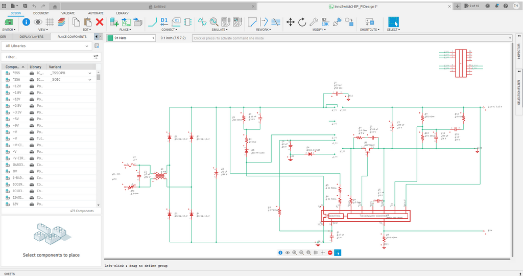
Your PI Expert design’s schematic may be exported to PCB CAD tool. This convenient feature can reduce design time and save resources by manually entering the schematic into the CAD tool, while minimizing any potential for error. Schematic symbols and associated footprints, as well as schematic nets are available converted to your preferred PCB design tool format.
To export your schematic, from the File pull-down menu, select “Export to PCB Tools…”

The schematic export pop-up will prompt you for selection of your preferred CAD tool. Select your choice from the pull-down and click the “Continue” button.

The tool will convert your design’s schematic to your selected CAD tool’s format within several seconds.
Then click the “Download” button to download the schematic locally to your computer. The downloaded file may appear in a pop-up within your browser, and may be found in your “Downloads” directory or equivalent depending on your browser type and settings.

The schematic file itself may be found within this zip file, along with a copy of the license terms. The file may be opened from within the associated PCB CAD tool, or launched directly from the schematic file itself, providing the file extension is properly associated to the PCB CAD tool within the OS’s settings.

The PCB layout design effort is accelerated since it directly leverages the completed PI Expert design and schematic. Please refer to the design recommendations in PI Expert’s “Board Layout” tab for best practices.
